您好,歡迎光臨帝國科技!
帝國博客
更多>>CFV-206系列圓柱晶振特點優勢深度解析
來源:http://m.jdzks.com 作者:帝國科技電子 2026年03月03
CFV-206系列圓柱晶振特點優勢深度解析
作為全球時頻器件領域的領軍品牌,日本CITIZEN西鐵城晶振自1959年正式涉足晶振研發與生產領域以來,憑借百年制表業沉淀的精密工藝,數十年深耕時頻領域的技術積淀,以及對品質的極致追求,在音叉水晶振動子(石英晶振)領域迅速占據全球領先地位,成為行業內品質與可靠性的標桿.西鐵城憑借對時頻技術的持續深耕,不斷迭代晶振產品的性能與工藝,其晶振產品憑借穩定的性能,優異的適配性,廣泛應用于消費電子,物聯網終端,通信設備,醫療儀器,汽車電子等多個核心領域,贏得了全球眾多知名設備廠商的高度認可與長期深度合作,成為各類電子設備時鐘基準的優選合作伙伴.CFV-206系列圓柱晶振作為西鐵城旗下核心的圓柱型晶振產品,深度傳承品牌百年制表級的精密工藝,精準聚焦小型電子設備"低功耗,高穩定,易集成"的核心需求,憑借差異化的產品優勢與全流程嚴苛的品質管控,成為32KHz頻段圓柱晶振的標桿之作,完美適配藍牙耳機,智能穿戴設備,小型物聯網傳感器,便攜式終端等對體積,功耗,穩定性有嚴苛要求的場景.本文將從原材料選型,核心工藝,性能表現,適配性等多個維度,深度解析CFV-206系列圓柱晶振的核心特點與優勢,帶您全面了解這款兼具可靠性,實用性與高性價比的時頻器件.西鐵城在晶振領域始終堅守"精工細作,品質至上"的核心理念,歷經數十年的技術迭代與工藝升級,建立了一套從原材料篩選,生產加工到成品檢測的全流程嚴苛標準,每一款產品都經過多道精細化工序打磨,杜絕任何細節上的瑕疵,確保產品品質的一致性與可靠性.CFV-206系列圓柱晶振更是傳承了西鐵城的匠心工藝,在原材料選型,晶體加工,封裝測試等每一個環節都精益求精,嚴格遵循品牌既定的品質標準,既延續了西鐵城晶振"高可靠,長壽命,高精度"的核心基因,又針對圓柱型封裝的特性,專門優化了集成便利性與環境適應性,徹底解決了小型電子設備時鐘基準"體積受限,功耗過高,穩定性不足"的行業痛點,成為小型電子設備時鐘基準的理想選擇,為下游設備廠商提供了高效,可靠,高適配的時頻解決方案,助力廠商提升終端產品競爭力.
核心特點優勢解析:以精工工藝,鑄就卓越性能
CFV-206無源晶體系列圓柱晶振作為西鐵城專為小型化,低功耗場景量身打造的圓柱型音叉晶振,核心聚焦32KHz標準頻率(該頻段是小型電子設備時鐘同步的核心頻段,廣泛應用于各類低功耗終端,也是保障設備低功耗運行的關鍵頻段),在頻率穩定性,低功耗表現,封裝設計,工藝管控,品牌服務等方面形成了獨特且突出的優勢,完美解決小型電子設備"體積受限,功耗敏感,穩定性要求高,集成不便"的行業痛點,兼顧性能與實用性,可靈活適配多元場景的差異化需求,為下游設備的升級迭代提供有力的時頻支撐.


優勢一:高純度晶體加持,頻率穩定度出眾,筑牢時鐘基準根基
頻率穩定性是晶振的核心性能指標,直接決定了電子設備時鐘同步的精準度,數據傳輸的準確性,以及設備整體的運行穩定性,尤其是在智能穿戴設備晶振,物聯網傳感器等需要長期連續運行,對數據精度要求較高的設備中,頻率穩定性更是重中之重,直接影響設備的使用體驗與數據可靠性.CFV-206系列圓柱晶振從源頭把控性能,采用西鐵城自主甄選的高純度人工合成石英晶體,其純度高達99.999%以上,遠高于行業常規晶體純度標準,可有效減少晶體內部雜質與微觀缺陷,從源頭保障頻率輸出的純凈度與穩定性,大幅降低頻率漂移現象,避免因晶體性能不足導致的設備運行卡頓,數據傳輸偏差,時鐘失準等問題,為設備穩定運行奠定堅實基礎.該系列標準頻率固定為32KHz,精準適配各類小型電子設備的時鐘同步需求,無需額外進行復雜的頻率調試,可直接集成使用,大幅提升設備研發與生產效率.在頻率精度方面,CFV-206系列的頻率公差可達±20×10(標準值,25℃常溫環境下),遠超行業基礎標準(常規同類產品頻率公差多為±30×10~±50×10),可確保設備時鐘同步的精準性,有效減少因頻率偏差導致的數據采集錯誤,通信中斷等問題,尤其適配對時鐘精度要求較高的物聯網傳感器,便攜式檢測儀器等設備.在溫度適應性方面,CFV-206系列的工作溫度范圍覆蓋-20℃~+70℃,可輕松適應室內,戶外等不同環境溫度,儲存溫度范圍更是達到-40℃~+85℃,即便在北方冬季戶外極端低溫,南方夏季高溫等惡劣環境中,也能保持穩定的頻率輸出,不受溫度波動的明顯影響.同時,該系列在寬溫域內的頻率溫度特征控制在±15×10,溫度波動對頻率輸出的影響極小,適配戶外穿戴設備,便攜式終端等多環境應用需求.此外,該系列的頻率老化率低至±5×10/年(最大值,25℃環境下),長期使用后仍能保持優異的頻率穩定性,無需頻繁更換晶振,大幅延長設備的使用壽命與維護周期,有效降低設備運維成本.
優勢二:超低功耗設計,適配小型低功耗場景,延長設備續航
對于藍牙耳機晶振,智能手環,智能手表,小型物聯網傳感器等依靠電池供電的小型電子設備而言,功耗控制是核心需求之一,晶振作為設備的"時鐘心臟",其功耗水平直接影響設備的電池續航能力,甚至決定了用戶的使用體驗與設備的市場競爭力.CFV-206系列圓柱晶振深度洞察這一市場需求,專門優化低功耗設計,采用先進的低功耗振蕩電路與優化的音叉晶體結構,將激勵功率嚴格控制在僅0.5μW,遠低于行業常規圓柱晶振的功耗水平(常規同類產品激勵功率多在1μW~100μW),可有效降低設備的整體能耗,顯著延長電池續航時間,切實解決小型設備"續航短,充電頻繁"的用戶痛點.該系列在設計過程中,在保證頻率穩定,精度達標的前提下,通過優化電路結構,甄選低功耗元器件等方式,最大限度降低能量損耗,無需額外增加供電負擔,完美適配電池供電的小型電子設備.無論是需要長期連續運行的物聯網傳感器(如智能門鎖,環境監測傳感器),還是對續航要求極高的藍牙耳機,智能穿戴設備,CFV-206系列都能憑借超低功耗優勢,為設備續航提供有力支撐.例如,在藍牙耳機中,CFV-206系列的超低功耗可有效減少時鐘模塊的能耗,配合設備的低功耗設計,可將藍牙耳機的續航時間延長10%~20%,減少用戶充電頻率,大幅提升用戶使用體驗;在小型物聯網傳感器中,超低功耗可確保傳感器在一節電池供電的情況下,實現長期連續運行,無需頻繁更換電池,顯著降低物聯網終端的運維成本與人工成本.
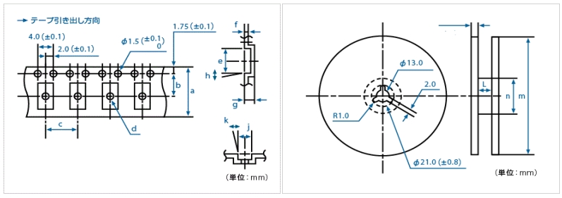
優勢三:標準圓柱封裝,集成便捷且兼容性強,降低研發生產成本
CFV-206系列采用經典的圓柱型封裝設計,作為行業通用的圓柱晶振封裝規格,其尺寸經過專業團隊的精準優化,完美適配各類小型電子設備的PCB板布局,可輕松集成到狹小的設備內部,無需額外修改板型設計,大幅降低設備廠商的研發周期與設計成本,提升研發效率.相較于貼片式晶振,圓柱型封裝的CFV-206系列更便于手工焊接與批量組裝,尤其適配中小批量生產需求,同時引腳采用高品質金屬材質,接觸穩定可靠,可有效減少焊接不良導致的設備故障,提升生產效率與產品合格率,降低生產損耗.該系列的負載電容固定為12.5pF晶振,串聯電阻(ESR)嚴格符合行業標準,引腳定義與同類圓柱晶振保持完全兼容,設備廠商可直接替換其他品牌同規格的圓柱晶振,無需調整電路設計,大幅提升設備升級與替換的便利性,降低研發與生產的時間成本.此外,CFV-206系列采用無鉛設計,嚴格符合RoHS環保標準,同時滿足歐盟,美國等全球多個地區的環保合規要求,適配全球綠色環保的產業趨勢,可廣泛出口至全球各地,有效拓寬產品的應用范圍.同時,該系列的封裝材質采用高品質玻璃與金屬,兼具良好的防潮,防塵,抗干擾特性,可進一步提升產品的穩定性與可靠性,適配潮濕,多灰塵等復雜的應用環境,確保產品長期穩定運行.
優勢四:嚴苛工藝管控,可靠性與耐用性突出,降低設備故障率
西鐵城始終以嚴苛的工藝標準把控每一款晶振產品的品質,憑借百年制表業沉淀的精密工藝與豐富經驗,建立了一套成熟,完善的生產流程與品質管控體系,從原材料入廠到成品出廠,每一個環節都有明確的品質標準與檢測要求.CFV-206系列圓柱晶振全程遵循西鐵城的嚴苛生產標準,從原材料篩選到成品出廠,歷經清洗,被銀,點膠,微調,中測,封焊,檢漏,老化,測試,打標,編帶,包裝等十余道精細化工序,每一道工序都配備專業的檢測設備與經驗豐富的技術人員,全程把控產品品質,確保每一款產品的一致性與可靠性,杜絕不合格產品流入市場.在核心工藝方面,CFV-206系列采用高精度晶體拋光與應力消除處理工藝,通過專業精密設備對石英晶體進行精準拋光,減少晶體表面的瑕疵與內部應力,顯著提升晶體的機械強度與振動穩定性,有效抵御振動,沖擊等外部干擾,避免晶體因振動,沖擊導致的損壞或性能衰減.在封焊工序中,采用高精度真空封焊技術,將晶體密封在玻璃外殼內,真空度可達行業高標準,有效防止水汽,灰塵等雜質進入晶體內部,避免晶體氧化與性能衰減,大幅提升產品的防潮防塵能力,適配潮濕,多灰塵等復雜環境.成品出廠前,每一款CFV-206系列晶振都需經過長期老化測試(持續1000小時以上),頻率穩定性測試,溫度特性測試,振動測試,沖擊測試等嚴苛檢測,只有全部通過所有測試項目,且經過多輪抽樣復檢(抽樣比例不低于5%)合格后,才能交付客戶.嚴苛的品質管控,使得CFV-206系列的故障率遠低于行業平均水平,使用壽命可達5~8年,適配各類需要長期穩定運行的場景,為設備的穩定運行提供堅實保障.
優勢五:品牌實力背書,性價比與服務兼具,全程無憂賦能
CFV-206系列圓柱晶振依托日本CITIZEN西鐵城的強大品牌實力,深度傳承了品牌在石英晶振領域數十年的技術積淀與精益求精的品質口碑,自帶強大的品牌信任背書,成為全球設備廠商選擇時頻器件的核心底氣.作為全球知名的時頻器件領軍廠商,西鐵城自1959年涉足晶振領域以來,始終專注于音叉水晶振動子等晶振產品的研發與生產,憑借百年制表業沉淀的精密工藝底蘊,搭建了完善且先進的研發體系,組建了一支由資深工程師,技術專家組成的專業研發團隊,在晶振核心技術,生產工藝優化等方面積累了豐富的行業經驗,可從研發源頭確保CFV-206系列產品的性能穩定性與一致性.同時,西鐵城配備了全球領先的自動化生產設備,建立了標準化的生產流程,從晶體加工到成品封裝,每一個環節都實現精準把控,進一步保障產品品質穩定.依托全球布局的標準化生產基地與高效協同的供應鏈體系,西鐵城CFV-206系列的月產能充足,可快速響應全球不同地區客戶的批量訂單需求,大幅縮短交貨周期,有效避免因供應鏈中斷,產能不足等問題影響客戶的生產計劃,為客戶的生產進度提供堅實有力的保障,助力客戶搶占市場先機.相較于其他國際品牌同規格的圓柱晶振,CFV-206系列在保持同等高性能,高可靠性的核心優勢基礎上,憑借西鐵城本土化生產與供應鏈優化的優勢,具備更高的性價比,可幫助設備廠商有效降低核心元器件的采購成本,在控制生產成本的同時,提升終端產品的市場競爭力,實現"品質與成本"的雙重優化.同時,西鐵城在全球范圍內建立了覆蓋各大洲的完善服務體系,打破地域限制,為全球客戶提供從產品選型,樣品測試,技術支持到售后維護的全流程一站式服務,全方位解決客戶在產品應用過程中的各類難題.專業的技術團隊具備豐富的晶振集成與調試經驗,可快速響應客戶咨詢,無論是產品選型時的場景適配建議,還是樣品測試時的參數調試,亦或是產品集成,調試過程中遇到的技術難題,都能提供專業,高效的解決方案,還可根據客戶的個性化場景需求,定制專屬的產品適配方案,最大限度降低客戶的研發成本與周期,提升研發效率.此外,西鐵城還建立了完善的售后保障體系,針對產品質量問題提供快速退換貨服務,配備專業的售后工程師團隊,及時處理客戶的售后訴求,確保客戶使用無憂,進一步提升客戶的合作體驗,實現廠商與客戶的互利共贏,共同發展.
適配場景廣泛,賦能多領域小型電子設備升級
憑借高頻率穩定,超低功耗,易集成安裝,高可靠耐用的四大核心優勢,CFV-206系列圓柱晶振精準契合各類對體積尺寸,功耗控制,運行穩定性有嚴苛要求的小型電子設備需求,無需復雜適配即可快速融入設備架構,尤其在消費電子,物聯網,便攜式終端,醫療設備晶振等主流領域應用極為廣泛,成為各類小型電子設備時鐘基準的優選核心器件,為各領域小型電子設備的技術升級,性能迭代提供了堅實的時頻支撐,持續推動整個小型電子設備行業向小型化,低功耗,高可靠的方向穩步發展,助力下游廠商打造更具市場競爭力的終端產品.在消費電子領域,CFV-206系列憑借其小巧體積,超低功耗與高穩定性的核心優勢,可廣泛應用于藍牙耳機,智能手環,智能手表,便攜式播放器,小型游戲機等各類主流小型消費電子設備,適配消費電子"輕量化,長續航,高體驗"的核心發展趨勢.在藍牙耳機中,其僅0.5μW的超低激勵功率,可有效降低時鐘模塊的能耗,配合耳機自身的低功耗優化設計,能將藍牙耳機的續航時間延長10%~20%,大幅減少用戶充電頻率,同時高頻率穩定性可確保音頻信號傳輸的同步性,徹底避免出現音畫不同步,聲音卡頓,延遲等影響用戶聽覺體驗的問題,讓用戶享受更流暢的音頻體驗;在智能手環,智能手表等智能穿戴設備中,其-20℃~+70℃的寬溫適配性,可確保設備在戶外高溫,低溫等不同環境溫度下穩定運行,不受極端天氣影響,而高頻率穩定性則能精準記錄用戶的運動步數,心率,睡眠等健康數據與運動數據,避免因時鐘失準導致的數據偏差,顯著提升設備的實用性與可靠性,為用戶提供精準的健康監測服務.
在物聯網領域,CFV-206系列完美適配小型物聯網傳感器,智能門鎖,無線網關,智能插座等各類物聯網終端設備,契合物聯網終端"小型化,低功耗,長期穩定運行"的核心需求.物聯網終端大多依靠電池供電且需長期連續運行,部分設備還需安裝在戶外或復雜環境中,CFV-206系列的超低功耗的特性,可確保設備在一節電池供電的情況下實現長期連續運行,無需頻繁更換電池,大幅降低物聯網終端的運維成本與人工成本;其高可靠性與防潮防塵性能,可有效抵御戶外潮濕,灰塵等復雜環境的影響,避免設備出現故障,同時精準的頻率輸出能確保設備精準采集環境溫濕度,空氣質量,設備運行狀態等各類數據,高效傳輸至云端平臺,助力物聯網終端向小型化,低功耗,智能化方向持續發展,推動物聯網產業的規模化落地.
在醫療設備領域,CFV-206系列可廣泛應用于小型便攜式檢測儀器,如血糖檢測儀,心率監測儀,便攜式血壓計等,這類設備對數據準確性,運行穩定性有著極高的要求,直接關系到醫療診斷的專業性與準確性.CFV-206系列的高頻率穩定性,可確保檢測儀器的時鐘同步精準,避免因時鐘偏差導致的檢測數據誤差,為醫療診斷提供可靠的技術支撐,保障醫療檢測的專業性與準確性,同時其小巧的體積與低功耗設計,也能適配便攜式醫療設備的小型化,輕量化需求,方便用戶攜帶使用,助力便攜式醫療設備的普及與推廣.


此外,該系列還可廣泛應用于汽車電子輔助設備(如車載傳感器,車載小型控制器),小型辦公設備(如便攜式打印機,小型掃描儀)等多個領域.在汽車電子輔助設備中,其寬溫適配性與高可靠性,可抵御汽車行駛過程中的振動,溫度波動等復雜工況影響,確保車載設備穩定運行,為車輛行駛安全提供支撐;在小型辦公設備中,易集成,高穩定的優勢可確保設備時鐘同步精準,提升辦公設備的運行效率,同時低功耗設計也能降低辦公設備的能耗,契合綠色辦公的發展趨勢,憑借高可靠性與寬溫適配性,全面滿足不同場景的嚴苛需求,在各類小型電子設備中發揮核心時頻支撐作用.
總結:精工鑄就標桿,適配多元需求,賦能行業升級
日本CITIZEN西鐵城CFV-206系列圓柱晶振,以高純度石英晶體為基礎,以百年精工工藝為支撐,憑借高頻率穩定性,超低功耗,標準圓柱封裝,嚴苛品質管控,品牌實力背書五大核心優勢,立足32KHz頻段,成為小型電子設備時頻解決方案的標桿產品.它不僅延續了西鐵城晶振"高可靠,長壽命,高精度"的核心基因,更針對小型化,低功耗場景的差異化需求,實現了性能與實用性的完美平衡,既徹底解決了行業痛點,又為設備廠商提供了高性價比,高適配性的時頻選擇,助力廠商降低研發生產成本,提升終端產品的市場競爭力,搶占市場先機.在小型電子設備快速迭代,低功耗需求日益凸顯的今天,CFV-206系列憑借其獨特的產品優勢,持續賦能消費電子,物聯網,醫療設備等多領域升級,成為西鐵城深耕時頻領域的重要支撐.依托西鐵城強大的品牌實力,完善的生產體系,專業的技術團隊與優質的服務,CFV-206系列將繼續為全球客戶提供穩定,可靠的時頻支撐,助力各類小型電子設備實現性能升級,推動時頻器件向更精準,更節能,更便捷,更可靠的方向發展,為全球電子產業的高質量發展注入源源不斷的動力.
CFV-206系列圓柱晶振特點優勢深度解析
| CSX-750FBC8000000T | Citizen | CSX-750F | XO | 8 MHz | CMOS |
| CSX-750FBC12000000T | Citizen | CSX-750F | XO | 12 MHz | CMOS |
| CSX-750FBC24000000T | Citizen | CSX-750F | XO | 24 MHz | CMOS |
| CSX-252FAE24000000T | Citizen | CSX-252F | XO | 24 MHz | CMOS |
| CSX-750FCC3686400T | Citizen | CSX-750F | XO | 3.6864 MHz | CMOS, TTL |
| CSX-750FCC4000000T | Citizen | CSX-750F | XO | 4 MHz | CMOS, TTL |
| CSX-750FCC8000000T | Citizen | CSX-750F | XO | 8 MHz | CMOS, TTL |
| CSX-750FBC25000000T | Citizen | CSX-750F | XO | 25 MHz | CMOS |
| CSX-750FCC25000000T | Citizen | CSX-750F | XO | 25 MHz | CMOS, TTL |
| CSX-750FBC10000000T | Citizen | CSX-750F | XO | 10 MHz | CMOS |
| CSX-252FAE30720000T | Citizen | CSX-252F | XO | 30.72 MHz | CMOS |
| CSX-252FAE10000000T | Citizen | CSX-252F | XO | 10 MHz | CMOS |
| CSX-252FAE35000000T | Citizen | CSX-252F | XO | 35 MHz | CMOS |
| CSX-252FAP32768T | Citizen | CSX-252F | XO | 32.768 kHz | CMOS |
| CSX-750FCC24000000T | Citizen | CSX-750F | XO | 24 MHz | CMOS, TTL |
| CSX-750FBC4000000T | Citizen | CSX-750F | XO | 4 MHz | CMOS |
| CSX-750FBC27000000T | Citizen | CSX-750F | XO | 27 MHz | CMOS |
| CSX-750FJC44000000T | Citizen | CSX-750F | XO | 44 MHz | CMOS |
| CSX750PCC6.1760MT | Citizen | CSX-750P | XO | 6.176 MHz | CMOS |
| CSX750PCC24.7040MT | Citizen | CSX-750P | XO | 24.704 MHz | CMOS |
| CSX-750FCC33333000T | Citizen | CSX-750F | XO | 33.333 MHz | CMOS, TTL |
| CSX-750FBC16384000T | Citizen | CSX-750F | XO | 16.384 MHz | CMOS |
| CSX-252FAE40000000T | Citizen | CSX-252F | XO | 40 MHz | CMOS |
| CSX-750FCC35328000T | Citizen | CSX-750F | XO | 35.328 MHz | CMOS, TTL |
| CSX-750FCC45000000T | Citizen | CSX-750F | XO | 45 MHz | CMOS, TTL |
| CSX-750FCC44000000T | Citizen | CSX-750F | XO | 44 MHz | CMOS, TTL |
| CSX-252FAE33300000T | Citizen | CSX-252F | XO | 33.3 MHz | CMOS |
| CSX-252FAE12000000T | Citizen | CSX-252F | XO | 12 MHz | CMOS |
| CSX-252FAE20000000T | Citizen | CSX-252F | XO | 20 MHz | CMOS |
| CSX-252FAE16934400T | Citizen | CSX-252F | XO | 16.9344 MHz | CMOS |
| CSX-750FCC66666000T | Citizen | CSX-750F | XO | 66.666 MHz | CMOS, TTL |
| CSX-750FBC29491200T | Citizen | CSX-750F | XO | 29.4912 MHz | CMOS |
| CSX-750FBC14318180T | Citizen | CSX-750F | XO | 14.31818 MHz | CMOS |
| CSX-750FCC1843200T | Citizen | CSX-750F | XO | 1.8432 MHz | CMOS, TTL |
| CSX-750FCC7372800T | Citizen | CSX-750F | XO | 7.3728 MHz | CMOS, TTL |
| CSX-750FCC18432000T | Citizen | CSX-750F | XO | 18.432 MHz | CMOS, TTL |
| CSX-750FBC32000000T | Citizen | CSX-750F | XO | 32 MHz | CMOS |
| CSX-750FHB25000000T | Citizen | CSX-750F | XO | 25 MHz | CMOS |
| CSX-750FMB24000000T | Citizen | CSX-750F | XO | 24 MHz | CMOS |
| CSX-750FBC18432000T | Citizen | CSX-750F | XO | 18.432 MHz | CMOS |
| CSX750VCB8.000M-UT | Citizen | CSX-750V | VCXO | 8 MHz | CMOS |
| CSX750PCC19.4400MT | Citizen | CSX-750P | XO | 19.44 MHz | CMOS |
| CSX750PCC15.3600MT | Citizen | CSX-750P | XO | 15.36 MHz | CMOS |
| CSX750PCC60.0000MT | Citizen | CSX-750P | XO | 60 MHz | CMOS |
| CSX750VCB24.704M-UT | Citizen | CSX-750V | VCXO | 24.704 MHz | CMOS, TTL |
| CSX750VCB19.440M-UT | Citizen | CSX-750V | VCXO | 19.44 MHz | CMOS |
| CSX750PCC12.3520MT | Citizen | CSX-750P | XO | 12.352 MHz | CMOS |
| CSX750PCC72.0000MT | Citizen | CSX-750P | XO | 72 MHz | CMOS |
| CSX750PCC16.3840MT | Citizen | CSX-750P | XO | 16.384 MHz | CMOS |
| CSX750PCC33.3330MT | Citizen | CSX-750P | XO | 33.333 MHz | CMOS |
| CSX750PCC66.6666MT | Citizen | CSX-750P | XO | 66.6666 MHz | CMOS |
| CSX750VCB35.328M-UT | Citizen | CSX-750V | VCXO | 35.328 MHz | CMOS |
| CSX750VCB32.000M-UT | Citizen | CSX-750V | VCXO | 32 MHz | CMOS |
| CSX-252FAE48000000T | Citizen | CSX-252F | XO | 48 MHz | CMOS |
| CSX-252FAE33000000T | Citizen | CSX-252F | XO | 33 MHz | CMOS |
| CSX-252FAE27000000T | Citizen | CSX-252F | XO | 27 MHz | CMOS |
| CSX-750FCC50000000T | Citizen | CSX-750F | XO | 50 MHz | CMOS, TTL |
| CSX-750FCC24576000T | Citizen | CSX-750F | XO | 24.576 MHz | CMOS, TTL |
| CSX-750FBC7372800T | Citizen | CSX-750F | XO | 7.3728 MHz | CMOS |
| CSX-750FBC33333000T | Citizen | CSX-750F | XO | 33.333 MHz | CMOS |
正在載入評論數據...
相關資訊
- [2026-03-03]CFV-206系列圓柱晶振特點優勢深度解析
- [2026-02-05]CRYSTEK瑞斯克此次推出的新型6525MHz電壓控制振蕩器
- [2026-02-03]Skyworks歐美品牌5G產品線大擴張
- [2026-01-30]Jauch晶振JTX110系列全場景適配的多面手
- [2026-01-28]解鎖IQD振蕩電路密碼負載電容如何守護石英晶體精確度
- [2026-01-24]CTS晶振293系列操縱桿編碼器多領域的控制專家
- [2026-01-23]ECS重磅推出先進負載電容計算器開啟精準計算新時代
- [2025-09-17]KX-327RT型號Geyer格耶晶振對工業未來價值貢獻




業務經理